行业动态

了解最新公司动态及行业资讯

机动型一体化土壤修复设备发展前景

2018-12-06 00:55:42 173 编辑:admin 来源:本站
    土壤污染作为一个制约人类社会可持续发展的问题正日益受到世界各国的广泛 关注。造成土壤污染的原因主要有过量使用化学肥料、农药、污水、污泥及有机废弃物的不 当处置,有害物质的事故性排放及各类污染物在土壤中的长期积累等。土壤污染很容易对 地下水、地表水造成二次污染,通过饮用水或土壤~植物系统经由食物链进入人体而危及 人类健康。 
    目前,国际上已开发的土壤修复设备技术的种类有很多,如稳定/固化技术、土壤热解析技 术、水洗技术、生物修复等,修复土壤的设备则主要分为两种,一种是将土壤收集起来运到 固定的土壤处理中心进行修复后再重新运回原地进行恢复,这种修复方式的工作量非常 大,且非常麻烦,其修复效果欠佳,周期长,成本高;另一种是直接在现场将修复剂和修复液 喷洒到土壤上,虽然较之第一种方法更为方便,但是所喷洒的修复剂和修复液却很容易流 失,修复效果并不好,而且流失的修复剂对地下水还具有潜在的危害,这两种修复方式均不 利于推广利用,土壤修复的工作因此有着很大的局限性。 
土壤修复设备

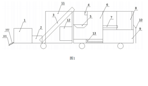
     机动型一体化土壤修复设备,包括机动车架及设置在车架上的泥土破碎压磨机、发电装置、土壤输送带、活性剂投加器、恒温反应器、脱水离心设备、污水收集设备及出料撒土机,受污染的土壤破碎压磨经土壤输送带送入恒温反应装置,再通过活性剂投加器投加特殊活性剂,停留一定时间后送入脱水离心设备,经过脱水后固液分离,土壤经过出料撒土机送入土地,脱离后收集的污水收集至污水收集设备后统一处理。本实用新型的机动型一体化土壤修复设备结构简单,采用了现场修复方式,免去了土壤来回运输的麻烦,结构简单,操作方便,效果高,修复效果好。

30

装备制造经验

立即免费获取土壤修复方案

为用户提供及时、高效、便捷的服务

在线咨询
AG视讯环境希望与你携手,共创美好未来...
5